De unde pot sa-mi iau piese pentru MT-1 de ka SIN YIH
#1
Postat 18 February 2007 - 09:57 PM
Pt marsarier imi ajung doua canale sau imi trebuie statie cu 3?
Si de unde as putea lua piese din tara (sau poate nu) ca de exemplu : cauciucuri , bascule si alte maruntisuri , dar elemente de tuning ?
Va rog care ma poate ajuta sa posteze un raspuns sau sa ma contacteze personal pe id mess : ingrazvan@yahoo.com .
Si o sa pun si o poza ........
P.S. nu radeti pentru ca este prima !
#4
Postat 18 February 2007 - 10:18 PM
Statie pistol cu 3 canale se gasesc (a mea este AM in banda de 27 Mhz) ?
Aceasta postare a fost editata de raisa: 18 February 2007 - 10:21 PM
#5
Postat 18 February 2007 - 10:29 PM
Aceasta postare a fost editata de alxcsb: 18 February 2007 - 10:32 PM
#6
Postat 18 February 2007 - 10:40 PM
#7
Postat 18 February 2007 - 10:43 PM
Cine crede ca are ceva care sa se potriveasca la mine .....
ma refer la cutie !
#8
Postat 18 February 2007 - 10:48 PM
#9
Postat 18 February 2007 - 10:48 PM
#11
Postat 18 February 2007 - 11:37 PM
#12
Postat 18 February 2007 - 11:53 PM
Cutia trebuie sa aiba iesire pentru cardan fata/spate !
Binenteles ca daca voi reusi o sa va spun !
#14
Postat 22 February 2007 - 11:32 AM
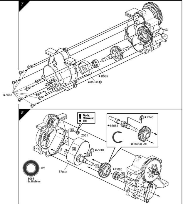
De exemplu eu vad axul din fata lung care cred ca trece prin axul negru pe care se monteaza spurul !
axul lung fiind solidar cu cel care se vede in spate, pe partea cu parghia pentru reverse !
Deci axul lung trece prin axul negru si este separat ca miscare de acesta sau cum lucreaza ?
Imagini atasate
Aceasta postare a fost editata de raisa: 22 February 2007 - 11:33 AM
#15
Postat 22 February 2007 - 03:33 PM
Nu este o cutie de viteza ci doar un inversor.
Se monteaza in cutia de viteza!
Atasez cum/unde se monteaza.
Imagini atasate
Tamiya F350+MFC-2 -~- Tamiya M1025 Humvee -~- Carson Dazzler 2WD Buggy -~- Traxxas Slash 2.4 GHz Spektrum
Carson xMods Evo Truckin Hummer H2 4WD -~- iWaver Mini Cooper -~- Kyosho Overland H2
#16
Postat 22 February 2007 - 03:35 PM
Poti folosi o statie cu doua canale. E chiar mai bine pentru ca-ti protejeaza cutia de viteze.
In acest caz vei folosi mixerul RC care vine in set de reverse.
Iti protejeaza cutia pentru ca: Iti face trecerea in revers doar dupa ce ai tinut frana actionata 3 secunde!
Succes
Imagini atasate
Aceasta postare a fost editata de OCRV: 22 February 2007 - 03:41 PM
Tamiya F350+MFC-2 -~- Tamiya M1025 Humvee -~- Carson Dazzler 2WD Buggy -~- Traxxas Slash 2.4 GHz Spektrum
Carson xMods Evo Truckin Hummer H2 4WD -~- iWaver Mini Cooper -~- Kyosho Overland H2
#19
Postat 23 February 2007 - 08:46 PM
1. Daca pun un mixer , setat (cred ca se poate seta la timpul dorit) si pus sa actioneze cand franez , in loc de servoul care actioneaza reversul , pun un variator de turatie si motor electric , cum lucreaza !
2. In cazul in care am statie cu 3 canale si pun in loc de servo un variator cu motor ....
#20
Postat 23 February 2007 - 08:58 PM
Cum decuplezi motorul electric la mers inainte?
Nu-ti mai trebuie inca un ambreiaj care sa-l cuplezi dupa cutia de viteza principala?
O sa mai ai nevoie de un pack mare de acumulatori (sa-ti deplaseze masina inapoi)!
Si mie-mi place sa bricolez dar chiar asa .... ?
Succes
Tamiya F350+MFC-2 -~- Tamiya M1025 Humvee -~- Carson Dazzler 2WD Buggy -~- Traxxas Slash 2.4 GHz Spektrum
Carson xMods Evo Truckin Hummer H2 4WD -~- iWaver Mini Cooper -~- Kyosho Overland H2
#21
Postat 23 February 2007 - 09:21 PM
http://www.hpi-europe.com/piw.php?lang=en&partNo=87220
Te costa vreo 90 $ (adus in Ro, sau chiar mai putin - cum te descurci)
si reversul asta:
http://www.hpi-europe.com/piw.php?lang=en&partNo=87000
Te costa vreo 80 $ (adus in Ro, sau chiar mai putin - cum te descurci)
Mai dai vreo 14 $ pe un servo
Mai bricolezi un pic si ti-ai facut masina cu 3 viteze + reverse ( te cost vreo 190$)
Succes
Nu uita sa ne arati ce ti-a iesit!
Tamiya F350+MFC-2 -~- Tamiya M1025 Humvee -~- Carson Dazzler 2WD Buggy -~- Traxxas Slash 2.4 GHz Spektrum
Carson xMods Evo Truckin Hummer H2 4WD -~- iWaver Mini Cooper -~- Kyosho Overland H2
#22
Postat 23 February 2007 - 10:53 PM
Ca sa dau ata pe cutie, etc adica vreo 200 $ mai bn imi iau alta cu reverse !
Nu e problema cu motorul electric , nu voi pune un 540 ci unu l mai mic adica un 300 sau 400 (cu o reductie buna, iar roata de angrenare o am si e acelas modul cu spurul).
Problema mai este ca nu prea am loc de cutie (am proiectat eu una cu revers si o viteza , rotile le am pe toate , carcasa o fac pe freza , iar calculul cercului de divizare pt roti e banal) ar iesi super poate chiar o s-o construiesc s-o vad cum lucreaza !
Cu motorul electric in schimb o sa incerc prima data, cu un cuplaj (e mult de descris, pe care l-am conceput, vb multa saracia omului , mai bine poze cand e gata), pt ca eu am de gand sa folosesc reversul numai cand nu mai pot sa misc masina innainte (cum ar fi un obstacol sau ceva) , deci pe durata foarte scurta de timp si viteze mici , iar alimentarea o iau de la accu de receptie/servo (pun unii peste 2500 mA).
...dar poate o sa mai dureze ca e in functie de timp ...

Ajutor


Raspuns nou

Citare Multipla














